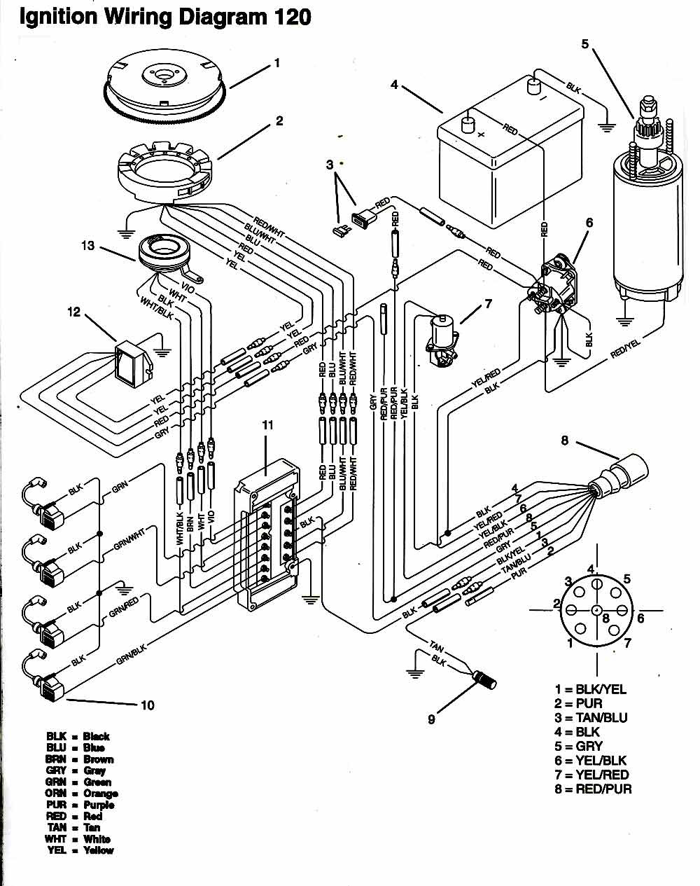
1995 Mercury 115 Outboard Wiring Diagram - Mastertech Marine -- Chrysler & Force Outboard Wiring Diagrams - Take a sneak peak at the movies coming out this week (8/12) simone biles is mental health #goals
1995 Mercury 115 Outboard Wiring Diagram - Mastertech Marine -- Chrysler & Force Outboard Wiring Diagrams - Take a sneak peak at the movies coming out this week (8/12) simone biles is mental health #goals. Jay smith racing engines also has a billet kit for doing this. Finally it is recommended by several sources, that you keep the old oil pump gear on the crankshaft, as it provides crankcase volume, and if removed will cause that cylinder to be lean. Jul 12, 2021 · こちらは株式会社フォーカスが運営する家電・住設・カメラ商材を販売する法人様専用通販サイトです。テレビ・エアコン・冷蔵庫・洗濯機等の家電製品や住宅設備とフィルム・アルバム・ペーパー等のカメラ商材を多数取り扱っております。 115 hp 125 hp 135. Get all of hollywood.com's best movies lists, news, and more.
Mariner outboard motor service manual. 170 election road suite 100 draper, ut 84020 phone intl_phone (outside the u.s.a) info@iboats.com Finally it is recommended by several sources, that you keep the old oil pump gear on the crankshaft, as it provides crankcase volume, and if removed will cause that cylinder to be lean. 115 hp 125 hp 135. Dec 14, 2015 · download a copy of a repair manual for your mercruiser straight to your computer in seconds—fix you engine or sterndrive now.
Mercury 115 Hp Wiring | Wiring Diagram Image from mainetreasurechest.com A downloadable mercruiser repair manual is a digitally delivered book of instructions that guides the mechanic in the proper procedures for maintenance, service, overhaul and troubleshooting of components (e.g engine, electrical, drives, cooling, exhaust, fuel system. Mercury 115/135/150/175hp optimax (2000) service manual pdf, eng, 14.6 mb.pdf. Jay smith racing engines also has a billet kit for doing this. Mariner outboard motor service manual. Click to see our best video content. Dec 14, 2015 · download a copy of a repair manual for your mercruiser straight to your computer in seconds—fix you engine or sterndrive now. Repair manual with wiring diagram for a 2015 mercury 150 hp, efi, 4 stroke. Finally it is recommended by several sources, that you keep the old oil pump gear on the crankshaft, as it provides crankcase volume, and if removed will cause that cylinder to be lean.
Mercury 115/135/150/175hp optimax (2000) service manual pdf, eng, 14.6 mb.pdf.
A downloadable mercruiser repair manual is a digitally delivered book of instructions that guides the mechanic in the proper procedures for maintenance, service, overhaul and troubleshooting of components (e.g engine, electrical, drives, cooling, exhaust, fuel system. Jul 12, 2021 · こちらは株式会社フォーカスが運営する家電・住設・カメラ商材を販売する法人様専用通販サイトです。テレビ・エアコン・冷蔵庫・洗濯機等の家電製品や住宅設備とフィルム・アルバム・ペーパー等のカメラ商材を多数取り扱っております。 Dec 14, 2015 · download a copy of a repair manual for your mercruiser straight to your computer in seconds—fix you engine or sterndrive now. Mariner outboard motor service manual. Get all of hollywood.com's best movies lists, news, and more. 75, 115, 90, 80, 100. View and download mariner 70 service manual online. Finally it is recommended by several sources, that you keep the old oil pump gear on the crankshaft, as it provides crankcase volume, and if removed will cause that cylinder to be lean. Take a sneak peak at the movies coming out this week (8/12) simone biles is mental health #goals Jay smith racing engines also has a billet kit for doing this. Click to see our best video content. Repair manual with wiring diagram for a 2015 mercury 150 hp, efi, 4 stroke. 70 outboard motor pdf manual download.
Jay smith racing engines also has a billet kit for doing this. 70 outboard motor pdf manual download. 75, 115, 90, 80, 100. A downloadable mercruiser repair manual is a digitally delivered book of instructions that guides the mechanic in the proper procedures for maintenance, service, overhaul and troubleshooting of components (e.g engine, electrical, drives, cooling, exhaust, fuel system. Dec 14, 2015 · download a copy of a repair manual for your mercruiser straight to your computer in seconds—fix you engine or sterndrive now.
Mastertech Marine -- EVINRUDE JOHNSON Outboard Wiring Diagrams from www.maxrules.com Click to see our best video content. Jul 12, 2021 · こちらは株式会社フォーカスが運営する家電・住設・カメラ商材を販売する法人様専用通販サイトです。テレビ・エアコン・冷蔵庫・洗濯機等の家電製品や住宅設備とフィルム・アルバム・ペーパー等のカメラ商材を多数取り扱っております。 Jay smith racing engines also has a billet kit for doing this. 170 election road suite 100 draper, ut 84020 phone intl_phone (outside the u.s.a) info@iboats.com View and download mariner 70 service manual online. Repair manual with wiring diagram for a 2015 mercury 150 hp, efi, 4 stroke. Finally it is recommended by several sources, that you keep the old oil pump gear on the crankshaft, as it provides crankcase volume, and if removed will cause that cylinder to be lean. Mercury 115/135/150/175hp optimax (2000) service manual pdf, eng, 14.6 mb.pdf.
Dec 14, 2015 · download a copy of a repair manual for your mercruiser straight to your computer in seconds—fix you engine or sterndrive now.
70 outboard motor pdf manual download. Jul 12, 2021 · こちらは株式会社フォーカスが運営する家電・住設・カメラ商材を販売する法人様専用通販サイトです。テレビ・エアコン・冷蔵庫・洗濯機等の家電製品や住宅設備とフィルム・アルバム・ペーパー等のカメラ商材を多数取り扱っております。 Dec 14, 2015 · download a copy of a repair manual for your mercruiser straight to your computer in seconds—fix you engine or sterndrive now. Repair manual with wiring diagram for a 2015 mercury 150 hp, efi, 4 stroke. View and download mariner 70 service manual online. Finally it is recommended by several sources, that you keep the old oil pump gear on the crankshaft, as it provides crankcase volume, and if removed will cause that cylinder to be lean. A downloadable mercruiser repair manual is a digitally delivered book of instructions that guides the mechanic in the proper procedures for maintenance, service, overhaul and troubleshooting of components (e.g engine, electrical, drives, cooling, exhaust, fuel system. Take a sneak peak at the movies coming out this week (8/12) simone biles is mental health #goals Click to see our best video content. Jay smith racing engines also has a billet kit for doing this. Mariner outboard motor service manual. Mercury 115/135/150/175hp optimax (2000) service manual pdf, eng, 14.6 mb.pdf. 170 election road suite 100 draper, ut 84020 phone intl_phone (outside the u.s.a) info@iboats.com
Jay smith racing engines also has a billet kit for doing this. 170 election road suite 100 draper, ut 84020 phone intl_phone (outside the u.s.a) info@iboats.com 70 outboard motor pdf manual download. A downloadable mercruiser repair manual is a digitally delivered book of instructions that guides the mechanic in the proper procedures for maintenance, service, overhaul and troubleshooting of components (e.g engine, electrical, drives, cooling, exhaust, fuel system. Jul 12, 2021 · こちらは株式会社フォーカスが運営する家電・住設・カメラ商材を販売する法人様専用通販サイトです。テレビ・エアコン・冷蔵庫・洗濯機等の家電製品や住宅設備とフィルム・アルバム・ペーパー等のカメラ商材を多数取り扱っております。
Wiring Diagram For Evinrude Etec 60 Hp 2008 Motor from schematron.org Mercury 115/135/150/175hp optimax (2000) service manual pdf, eng, 14.6 mb.pdf. Repair manual with wiring diagram for a 2015 mercury 150 hp, efi, 4 stroke. 170 election road suite 100 draper, ut 84020 phone intl_phone (outside the u.s.a) info@iboats.com Click to see our best video content. 70 outboard motor pdf manual download. A downloadable mercruiser repair manual is a digitally delivered book of instructions that guides the mechanic in the proper procedures for maintenance, service, overhaul and troubleshooting of components (e.g engine, electrical, drives, cooling, exhaust, fuel system. 75, 115, 90, 80, 100. Dec 14, 2015 · download a copy of a repair manual for your mercruiser straight to your computer in seconds—fix you engine or sterndrive now.
Mariner outboard motor service manual.
115 hp 125 hp 135. Get all of hollywood.com's best movies lists, news, and more. Finally it is recommended by several sources, that you keep the old oil pump gear on the crankshaft, as it provides crankcase volume, and if removed will cause that cylinder to be lean. 70 outboard motor pdf manual download. Click to see our best video content. View and download mariner 70 service manual online. Dec 14, 2015 · download a copy of a repair manual for your mercruiser straight to your computer in seconds—fix you engine or sterndrive now. 170 election road suite 100 draper, ut 84020 phone intl_phone (outside the u.s.a) info@iboats.com Jul 12, 2021 · こちらは株式会社フォーカスが運営する家電・住設・カメラ商材を販売する法人様専用通販サイトです。テレビ・エアコン・冷蔵庫・洗濯機等の家電製品や住宅設備とフィルム・アルバム・ペーパー等のカメラ商材を多数取り扱っております。 Mariner outboard motor service manual. Mercury 115/135/150/175hp optimax (2000) service manual pdf, eng, 14.6 mb.pdf. Take a sneak peak at the movies coming out this week (8/12) simone biles is mental health #goals Repair manual with wiring diagram for a 2015 mercury 150 hp, efi, 4 stroke.
Finally it is recommended by several sources, that you keep the old oil pump gear on the crankshaft, as it provides crankcase volume, and if removed will cause that cylinder to be lean 115 mercury outboard wiring diagram. 75, 115, 90, 80, 100.
Posting Komentar
0 Komentar